رله دوبل پژو ۲۰۶ و رانا کجاست؟
رله دوبل پژو ۲۰۶ کجاست؟
در اکثر خودرو های معمولی برای پخش برق ۱۲ ولت که معمولا برای تغذیه سنسور ها و عملگر ها که تحت فرمان کامپیوتر خودرو (ECU) میباشد از رله دوبل استفاده میکنند.
رله چیست؟
رله را میتوان یک کلید التریکی با قابلیت انتقال جریان بالا نام برد دارای دو پایه فرمان برای تحریک این کلید است که فعال شدن و یا فعال نشدن آن را تعیین میکند. رله در صورت تحریک شدن میتواند پایه ای را به پایه ای دیگر متصل کند.

رله دارای یک سیم پیچ و پلاتین میباشد. در صورت تحریک این سیم پیچ با دادن برق مثبت و منفی به دوسر سیم پیچ در اطراف این سیم پیچ میدان مغناطیسی شکل می گیرد و این میدان مغناطیسی باعث میشود پلاتین به سمت سیم پیچ متمایل شود و پایه ای را به پایه ی دیگر متصل کند.
تفاوت رله معمولی با رله دوبل

در رله های معمولی موجود تنها یک ورودی و یک خروجی دارند اما در رله دوبل از یک رله چند پایه خروجی داریم که میتوانیم ولتاژ را بین مصرف کننده ها تقسیم کنیم با این تفاوت که در یک قاب دو رله قرار گرفته است و هر کدام از این رله ها صرف کننده های متفاوت و پایه های تحریک متفاوت از یکدیگر دارا هستند. این رله قابلیت این را دارد در ماشین های مختلف و با سیستم های کامپیوتری مختلف استفاده شود که در خودرو هایی مانند پژو ۴۰۵، پیکان، پرشیا، آریسان، سمند و پراید با ایسیو های مختلف استفاده میگردد. و اما رله دوبل پژو ۲۰۶ و رانا کجاست؟
اما رله های پژو ۲۰۶ و رانا کجاست؟
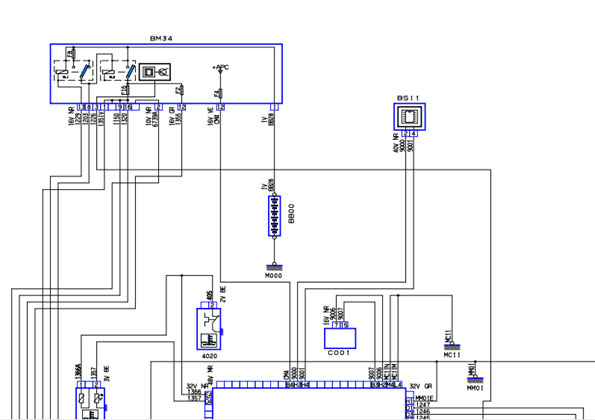
در خودرو های پژو ۲۰۶ تولید شده تا سال ۱۳۹۰ که از سیستم شبکه مالتی پلکس فرانسه استفاده می کردند. سیستم برق بهینه تری نسبت سیستم های معمولی داشتند و از برای انتقال اطلاعات از طریق شبکه مالتی پلکس استفاده میکردند در این خودرو ها برای پخش کردن و تامین کردن برق های مصرف کننده موتور و مصرف کننده های جلو خودرو از یونیتی به نام BM34 استفاده میکنند.
در داخل یونیت BM34 رله ها و فیوزها قرار گرفته اند که هر کدام برای مدار خاصی کارکرد دارند. رله پمپ بنزین و رله سنسور ها و عملگر ها که در خودرو های معمولی رله دوبل کنترل میکنند در داخل یونیت BM34 قرار دارند.
همه ی این موارد برای پژو ۲۰۷ های تولید شده تا سال ۱۳۹۰ صدق میکند.

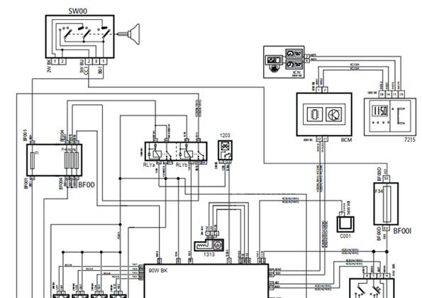
در خودرو های رانا و پژو ۲۰۶ و تمام خودرو هایی که با شبکه های مالتی پلکس ایرانی استفاده میکنند مانند شبکه های فرانسوی از یونیت ها برای کنرل برق ها موتور و سایر اجزا استفاده میکنند. که در این خودرو ها رله هایی که وظیفه ی رله دوبل را اجرا می کنند یا در جعبه رله و یا در خود یونیت بستگی به نوع سیستم قرار دارند .

رله های RKYa و RLYb در واقع وظیفه رله دوبل را در این نقشه بر عهده دارند . این نقشه مربوط به خودرو های ۲۰۶ و رانا ملی با کامپیوتر(ecu) کروز میباشد.
